Découvrez notre NOUVEAU SITE et ses fonctionnalités repensées POUR VOUS !
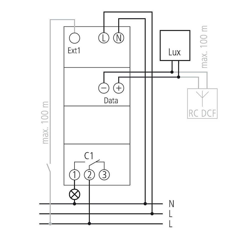
Interrupteur crépusculaire digital fixation sur rail DIN. 2 Modules. Prog 24h/7jrs. Réglage 1-99000 lux. Tension 230V, contact inverseur 16A. TEMPO à l'enclenchement 0-59 min. Cellule IP55 Fixation saillie